- Obtener vínculo
- X
- Correo electrónico
- Otras apps
- Obtener vínculo
- X
- Correo electrónico
- Otras apps
ECUACIONES DIFERENCIALES EN CIRCUITOS ELÉCTRICOS
ANGIE LISSETH MÉNDEZ LÓPEZ
DOCENTE
JUAN DAVID ROJAS GACHA
UNIVERSIDAD PILOTO DE COLOMBIA
FACULTAD DE INGENIERÍA
INGENIERÍA DE TELECOMUNICACIONES
Bogotá, DC
2018
Ecuaciones Diferenciales en Circuitos
Eléctricos
Así como la mecánica tiene como base fundamental las leyes de Newton, el
comportamiento de los circuitos eléctricos también tiene dos leyes conocidas
como Leyes de Kirchhoff, las cuales están
basadas en la conservación de la energía en los circuitos eléctricos. Estas leyes
son ampliamente usadas en ingeniería eléctrica, ingeniería electrónica e
ingeniería de telecomunicaciones para obtener los valores de la corriente y el
potencial. Las leyes de Kirchhoff establecen que: “La suma algebraica de todas
las corrientes que circulan a través de un nodo es igual a cero” y “La suma
algebraica de todos los voltajes alrededor de una malla es igual a cero”.
En circuitos más complejos que contienen elementos adicionales a
resistencias eléctricas (R) como condensadores (C), inductores (L), generadores
e interruptores; llamados circuitos RLC. Está constituido por una ecuación
diferencial que incluyen una derivada de segundo orden, o dos ecuaciones
diferenciales de primer orden. Además, requieren determinar las condiciones
iniciales de las derivadas.
-
Figura 1: Circuito RLC en serie
-
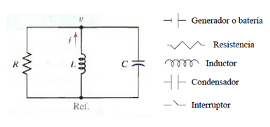
Figura 2: Circuito RLC en paralelo
Deducción
de la ecuación diferencial de un circuito RLC en paralelo
Con referencia a la figura 2, se aplica la
ley de corrientes de Kirchhoff, obteniendo la siguiente ecuación:
Se reemplaza en la ecuación anterior los términos correspondientes a cada elemento; donde la corriente en una resistencia está dada al despejar la ecuación de la ley de ohm v = i x R, el voltaje en una inductancia se obtiene con:
Obteniendo:
Cuando ambos lados de la ecuación
se diferencian una vez respecto al tiempo, el resultado consiste en una
ecuación diferencial lineal homogénea de segundo orden.
Solución
de la ecuación diferencial
Para que se satisfaga la ecuación todo el tiempo, al menos uno de los
tres factores debe ser cero. Si cualquiera de los primeros dos factores se
iguala a cero, entonces v(t) = 0. Ésta es una solución trivial de la ecuación
diferencial que no puede satisfacer las condiciones iniciales dadas. Por lo
tanto, se iguala a cero el factor restante:
Obtenemos una ecuación cuadrática,
hay dos soluciones identificadas,S 1y S 2
Si se sustituye
S 1y S 2 en la ecuación de v:
La primera satisface la
ecuación:
Y la segunda la
ecuación:
Si se suman estas dos
ecuaciones diferenciales y se combinan términos semejantes, se obtiene:
Prevalece la linealidad
y se observa que la suma de ambas soluciones también es una solución. Por lo
cual, la forma general de la solución es:
Para el circuito de la figura 1, a
diferencia de un circuito en paralelo en este es posible obtener la ecuación de
la corriente en función del tiempo aplicando las leyes de Kirchhoff. Por lo
cual se obtienen las tres formas:
-
La solución para un circuito sobre amortiguado es:
Aplicación Ecuaciones Diferenciales en
Circuitos Eléctricos
Aplicación
para circuito RLC serie
El Taser o también llamada pistola eléctrica, es un arma de electroshock
diseñada para incapacitar a una persona a través de descargas eléctricas, las
cuales limitan las señales nerviosas y confunde los músculos motores,
inmovilizando al sujeto temporalmente. La policía suele usar este dispositivo
para incapacitar a personas potencialmente peligrosas. Este dispositivo genera
en vacío 50.000 voltios, al accionarlo hacia un sujeto descarga una serie de
impulsos de alto voltaje, aproximadamente 400 voltios y por un arco fluye una
pequeña corriente de 1 a 2,1 miliamperios.
La potencia de los impulsos no es considerada letal para el ser humano
según un estudio de Medicina Legal de Málaga en 2004, ya que el efecto letal de
la descarga del dispositivo depende de la corriente y no del voltaje. Sin
embargo, estos impulsos son suficiente para hacer que los músculos se
contraigan y dejar fuera de combate a la persona.
Se requiere determinar la ecuación de voltaje y la corriente. Donde la
resistencia R representa el intervalo de chispa. El circuito del Taser este
modelado por un circuito RLC en serie como se muestra a continuación:
Aplicación
para circuito RLC paralelo
El modelo de un circuito transmisor
es:
A través del circuito funciona un
sistema de comunicación de una estación espacial que usa pulsos cortos para
controlar a un autómata que opera en el espacio. Determine v(t) para t > 0
El primer paso es analizar el circuito
en t < 0
bobina
capacitor
circuito paralelo
circuito serie
circuitos electricos
condensador
Ecuaciones diferenciales en circuitos
inductor
leyes de Kirchhoff
resistencias
RLC
RLC paralelo
RLC serie
- Obtener vínculo
- X
- Correo electrónico
- Otras apps





Comentarios
Publicar un comentario